Пошаљите нам е-пошту
Производи
КСК Брзи испушни вентил
  • КСК Брзи испушни вентилКСК Брзи испушни вентил
  • КСК Брзи испушни вентилКСК Брзи испушни вентил

КСК Брзи испушни вентил

Model:XQ170600
ОЛК је један од професионалних Кск-ових брзих произвођача издувних гасова и добављача у Кини. Наши производи су ЦЕ сертификовани и имају у залихама фабрике, добродошли у на велико брз издувни вентил за издувни гас.

ОЛК КСК Брзи издувни вентил је вентил који аутоматски исцрпљује гас под притиском из утичнице када долазне притисак опада на одређену вредност. Када на улазну притисак има ваздух, језгро вентила (једносмјерни прстен за бртвљење или дијафрагма) гура се отворено, затвара гасузну луку и излазу из утичнице. Када се улаз празни, излазни притисак гура језгро вентила да запечати улаз, а излазни гас брзо исцрпљује кроз издувни порт. КСК Брзи испушни вентил нуди пет опција величине везе: М5, Г1 / 8, Г1 / 4, Г3 / 8 и Г1 / 2.

Примена и мере предострожности за КСК Брзи испушни вентил:

КСК Брзи издувни вентил користи се у ситуацијама у којима су пнеуматске компоненте и уређаји требали брзо исцрпити. Ако је инсталиран између цилиндра и усмереног вентила, цилиндар га исцрпљује директно кроз КСК брзи издувни вентил уместо усмереног вентила, значајно повећава брзину кретања цилиндра. Овај ефекат је посебно приметљив када је цевовод између цилиндра и вентила дугачак. Ако је издувни отвор за усмерену вентил велик и прикључна цев између цилиндра и вентил је кратка, постављање брзих испучавања је непотребно.

Да би се постигао брзи издувни исцрпљени притисак на брзом излазу издувних вентила мора се брзо испразнити, тако да је испушни пролаз на улазу у улазу (између смерног вентила и брзи издувни вентил) мора бити несметано.

Осигурајте да цилиндар има довољно капацитета за јастук када се користи КСК брзе испушне вентил.



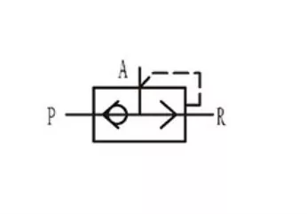
КСК Симбол за брзо ослобађање

Код наручивања:
КК17 0600
Модел: КСК серија 3/2 пут Брзи испушни вентил Величина порта:

0600: Г1 / 8

0800: Г1 / 4

1000: Г3 / 8

1500: Г1 / 2

2000: Г3 / 4

2500: Г1

КСК Брзи општи параметри издувних вентила

Спецификација

Величина порта

БОО (мм)

Flow (m³/min)

Трајност (к10⁴ циклуси)

Распон притиска рада (МПА)

Време одзива (а)

КСК-М5

М5

4

≥ 200

0.12 ~ 1.0

≤ 0,03

КК170600

Г1 / 8

6

≥ 0,3

≤ 0,03

КК170800

Г1 / 4

6

≥ 0.9

≤ 0,03

КСК171000

Г3 / 8

8

≥ 2.5

≤ 0,04

КСК171500

Г1 / 2

15

≥ 4.5

≤ 0,05

КСК172000
Г3 / 4


КК172500 Г1




ФАКС:

Која је функција КСК Брзи издувни вентил?

Смањите потрошњу ваздуха и побољшати енергетску ефикасност пнеуматских система:

Због дјеловања ваздушног цилиндра КК брзе издувне вентил, пнеуматски цилиндар само треба да користи малу количину компримованог ваздуха током кретања, без испуштања велике количине ваздуха у околину. Ово помаже у смањењу потрошње ваздуха система и побољшати енергетску ефикасност пнеуматског система.


Шта треба напоменути приликом постављања КСК Брза испушни вентил?

Уверите се да је смер уградње вентила тачан, обично обележен П (улазом), а (утичнице) и Р (издувни порт)








Хот Тагс: КСК Брзи издувни вентил, Кина, произвођач, добављач, фабрика
Пошаљи упит
Контакт информације
  • Адреса

    Зхенгтаи Роад, Ксингуанг Индустријска зона, Лиусхи, Иуекинг, Вензхоу, Зхејианг, Кина.

  • Е-маил

    cici@olkptc.com

Добродошли на нашу веб страницу! За упите о нашим производима или ценовнику, оставите нам своју е-пошту и ми ћемо вас контактирати у року од 24 сата.
Е-маил
cici@olkptc.com
Тел
86-0577 57178620
Мобилни
+86-13736765213
Адреса
Зхенгтаи Роад, Ксингуанг Индустријска зона, Лиусхи, Иуекинг, Вензхоу, Зхејианг, Кина.
X
Користимо колачиће да бисмо вам понудили боље искуство прегледања, анализирали саобраћај на сајту и персонализовали садржај. Коришћењем овог сајта прихватате нашу употребу колачића. Политика приватности
Одбити Прихвати