Пошаљите нам е-пошту
Производи
Тац пнеуматски претворни вентил
  • Тац пнеуматски претворни вентилТац пнеуматски претворни вентил

Тац пнеуматски претворни вентил

Као професионална производња, ОЛК би желео да вам пружи ТАЦ пнеуматско пребацивање вентила. А ОЛК ће вам понудити најбољу услугу након продаје и благовремене испоруке.

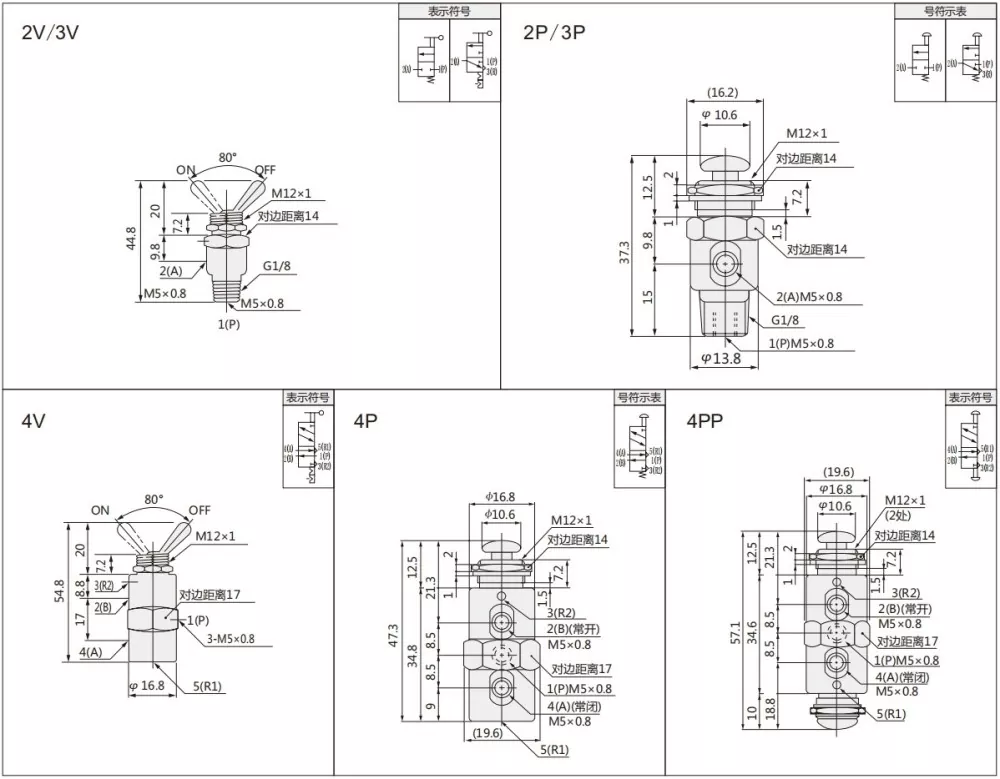
ТАЦ пнеуматски претворни вентил (познат и као прекидач) је прецизна компонента пречишћавања посебно дизајнирана за пнеуматске системе и контролу течности. Са јединственом конструкцијом за контролу типа у тоггле, постиже брзо пребацивање и прецизну контролу течности.

ТАЦ серија за пребацивање има 2 позиција 2 пута, 2 позиција 3 пута и 2 позиција 5 пута може бити изабран. Различити тип полуге и теме за две врсте: М5, Г1 / 8.

Сценарији апликације

Опрема за индустријске аутоматизације, механичка обрада, прерада грађевинских материјала, енергија и рударска индустрија, индустрија хране и пића, медицинска опрема итд.

Функције производа

Мала је у величини, захтијева мало инсталационог простора и интуитивно је руковање ручно, чинећи га погодним за сценарије који захтевају честе пребацивање.

Тац тогл вивенски симбол и обрис

Кодекс за уређење

Тац

2

__

2

P

 

 

 

 

 

ТАЦ серија Тоггле вентила

 

 

2: 2поситион 2 пут (м5)

П: тип дугмета за пусх-пулл

 

 

 

3: 2 Позиција на 3 пута (М5)

В: Тип ручне ручне рупе

 

 

 

4: 2 ПОВЕЋА 5 ВАИ (М5)

ПП: Двоструко притисните дугме

 

 

 

31: 2 Позиција на 3 пута (Г1 / 8)

 

 

 

 

41: 2 ПОВЕЋА 5 ВАИ (Г1 / 8)

 

 

Модел

Величина порта

 

Број
позиција

Ефикасан  
Површина пресека

Опсег притиска

Радна течност

Амбијент
Температура

 

ТАЦ-2В

Улаз = Оутлет = М5   

2 позиција 2 пута

1,9 мм²

0,05 ~ 0.9ппа

Ваздушни

0 ~ 60

ТАЦ-2П

Улаз = Оутлет = М5   

2 позиција 2 пута

1,9 мм²

ТАЦ-3В

Улаз = Оутлет = М5   

2 Позиција на 3 пута

1,9 мм²

ТАЦ-3П

Улаз = Оутлет = М5   

2 Позиција на 3 пута

1,9 мм²

ТАЦ-4В

Улаз = Оутлет = М5   

2 позиција 5 пута

1,9 мм²

ТАЦ-4П

Улаз = Оутлет = М5   

2 позиција 5 пута

1,9 мм²

4пп

Г1 / 8

 

2 позиција 5 пута

4,5 мм²

ТАЦ2-31В

Улаз = Оутлет = испух = Г1 / 8   

2 Позиција на 3 пута

4,5 мм²

ТАЦ2-31П

Улаз = Оутлет = испух = Г1 / 8   

2 Позиција на 3 пута

4,5 мм²

ТАЦ2-41В

Улаз = Оутлет = Г1 / 8 издувних = М5

2 позиција 5 пута

4,5 мм²

ТАЦ2-41П

Улаз = Оутлет = Г1 / 8 издувних = М5

2 позиција 5 пута

4,5 мм²

ТАЦ2-41ПП

Улаз = Оутлет = Г1 / 8 издувних = М5

2 позиција 5 пута

4,5 мм²

ФАКС:

Која је разлика између преклопног вентила и механичких вентила?

Може се разликовати пребацивање вентила и механички вентил по контролној врсти: пребацивање вентила је пилирање ручице за држање полуге, механички вентил је тип гумба гужви или ваљак

 

Која је разлика између преклопног вентила и других вентила?

Прецизна контрола: Преклапајте вентиле Постигну фино проток кроз конични језгро вентила, који је погодан за прецизну контролу у цевоводима малог пречника, док су куглични вентили погоднији за брзо отварање и затварање.

Хот Тагс: ТАЦ пнеуматски претворивач, Кина, произвођач, добављач, фабрика
Пошаљи упит
Контакт информације
  • Адреса

    Зхенгтаи Роад, Ксингуанг Индустријска зона, Лиусхи, Иуекинг, Вензхоу, Зхејианг, Кина.

  • Е-маил

    cici@olkptc.com

Добродошли на нашу веб страницу! За упите о нашим производима или ценовнику, оставите нам своју е-пошту и ми ћемо вас контактирати у року од 24 сата.
Е-маил
cici@olkptc.com
Тел
86-0577 57178620
Мобилни
+86-13736765213
Адреса
Зхенгтаи Роад, Ксингуанг Индустријска зона, Лиусхи, Иуекинг, Вензхоу, Зхејианг, Кина.
X
Користимо колачиће да бисмо вам понудили боље искуство прегледања, анализирали саобраћај на сајту и персонализовали садржај. Коришћењем овог сајта прихватате нашу употребу колачића. Политика приватности
Одбити Прихвати